KJF

ENG

Tube Type Hinge Clamp

YOU CAN COUNT ON OUR EXPERTISE

Piping Method
Features
  • 하우징 하부/밑변 배관
  • 플랜지 상면 밸브 장착
  • 편리한 제품 장탈착
  • 쉬운 설치와 배관
  • 내경범위 : ø25~80
  • 작동범위 : 15~70kgf/㎠
  • 사용온도 : 0~60℃
  • 레버는 옵션
Model No.
  • 1
    Clamp Type
    HGC = HINGE CLAMP
  • 2
    Piston Diameter
    ex ) 25 = Ø25
  • 3
    Clamping Force
    ex ) 02 = 200kgf at 70kgf/cm2
  • 4
    Type
    T = Tube
    TV = Tube+Flow control vavle
    TS = Tube under bottom
HINGE CLAMP TUBE TYPE
  • HGC-2502T
  • HGC-3203T
  • HGC-4005T
  • HGC-5009T
  • HGC-6315T
  • HGC-8023T
Specifications
Model No. Type Clamping Force(kgf) Piston
Diameter(ø)
Effective
Area(㎠)
Stroke(mm) Oil Capacity(㎤) Operating
Pressure Range
(kgf/㎠)
Operating
Temperature
Range(℃)
Weight
(kg)
@70kgf/㎠ Total Extra Clamp(Push) Unclamp(Pull)
HGC-2502 T 228 25 4.9 28 2 13.7 8.1 15~70 0~60 1.73
TV 1.73
TS 1.72
HGC-3203 T 325 32 8.04 28 2 22.5 15.4 2.26
TV 2.27
TS 2.27
HGC-4005 T 544 40 12.56 33 2 41.4 41.4 3.37
TV 3.38
TS 3.39
HGC-5009 T 935 50 19.63 42 4 82.5 82.5 5.67
HGC-6315 T 1563 63 31.16 50 4 155.8 155.8 9.06
HGC-8023 T 2344 80 50.24 60 4 301.4 301.4 15.28
Clamping Force Calculation Formula
Hydraulic Clamp
  • 클램핑력은 치수 K와 사용압력에 따라 변합니다.
    아래의 계산식을 통해 클램핑력을 구해 주십시오.
    • - F = Clamping Force(kgf)
    • - P = Hydraulic Pressure(kgf/㎠)
    • - K = Refer to Drawing (mm)
  • Note.
    치수 K가 과도하게 짧을 경우, 최대 압력을 사용하면 클램프에 손상이 가거나 작동유가 새어 나올 수 있습니다.
  • STANDARD / GASKET / TUBE
    HGC-2502 : F = 107.8 x P / K
    HGC-3203 : F = 176.9 x P / K
    HGC-4005 : F = 326.6 x P / K
    HGC-5009 : F = 628.2 x P / K
    HGC-6315 : F = 1184.1 x P / K
    HGC-8023 : F = 2311.0 x P / K
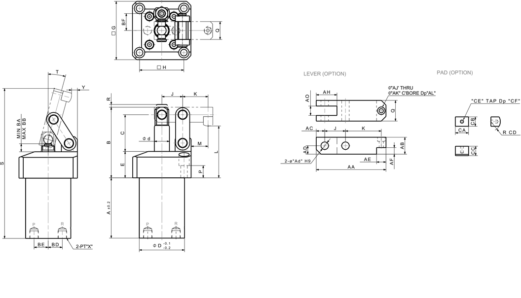
- T Type
MODEL NO 주문 Download Dimensions(mm)
2D 3D PDF A B C øD ød E F G H J K L M P Q R S T V W X Y AA AB AC AD Ad AE AF AH AJ AK AL AO CA CB CC CD CE CF
HGC-2502T 64 75 39 48 16 28 8 62 47 22 33 55 24 14 19 2 155 15.2° 7 11 1/8 4.6 68 16 8 8 8 10 6 20 4.5 8 4.4 9 14 10 10 10 M4 6
HGC-3203T 64 80 42.5 55 18 27.5 8 72 55 22 38 58 24 13.5 22 2 163 13.0° 9 14 1/8 10.5 74 18 9 9 8 10 7 22 4.5 8 4.4 10 14 10 10 10 M4 6
HGC-4005T 79 90 47.5 65 25 29.0 11 80 63 26 42 63 28 15 25 2 180.4 14.3° 9 14 1/4 9.4 85 22 11 11 10 12 9 26 6 9.5 6 12 16 12 12 10 M5 6
HGC-5009T 94 108 57.5 80 30 34.5 12 88 70 32 47 76 35 17.5 32 4 220 14.3° 9 14 1/4 8.5 100 26 13 13 12 16 10 32 6.6 11 7 16 20 16 13 15 M6 7
HGC-6315T 111 127 71 95 35.5 36 14 108 85 38 53 85 37 16 40 4 252 14.0° 11 17.5 3/8 10 118 34 17 17 16 20 13 40 9 14 8.6 20 25 20 18 20 M8 9
HGC-8023T 123 158 86 115 45 48 15.5 125 100 46 69 108 52.5 23 44 4 306 13.7° 14 20 3/8 9.2 147 40 20 20 18 24 16 46 11 17.5 11 24 28 24 22 25 M10 12
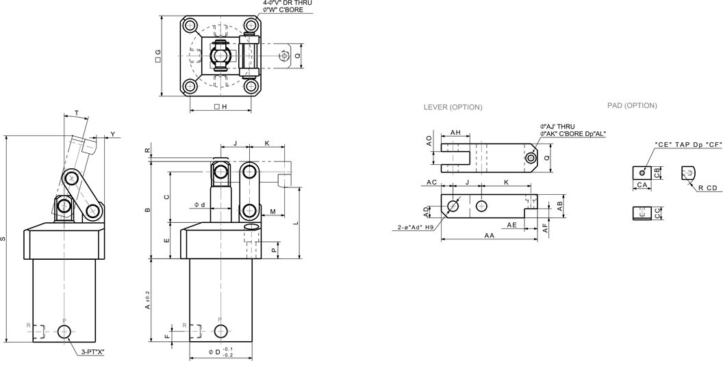
- TV Type
MODEL NO 주문 Download Dimensions(mm)
2D 3D PDF A B C øD ød E F G H J K L M P Q R S T V W X Y AA AB AC AD Ad AE AF AH AJ AK AL AO BA BB BD BE BF CA CB CC CD CE CF
HGC-2502TV 64 75 39 48 16 30 8 62 47 22 33 57 24 14 19 2 155 15.2° 7 11 1/8 4.6 68 16 8 8 8 10 6 20 4.5 8 4.4 9 8.5 13.5 15 15 18 14 10 10 10 M4 6
HGC-3203TV 64 80 42.5 55 18 27.5 8 72 55 22 38 58 24 13.5 22 2 163 13.0° 9 14 1/8 10.5 74 18 9 9 8 10 7 22 4.5 8 4.4 10 8 13 18.5 18.5 21.5 14 10 10 10 M4 6
HGC-4005TV 79 90 47.5 65 25 29.0 11 80 63 26 42 63 28 15 25 2 180.4 14.3° 9 14 1/4 9.4 85 22 11 11 10 12 9 26 6 9.5 6 12 8 13 21 21 26 16 12 12 10 M5 6
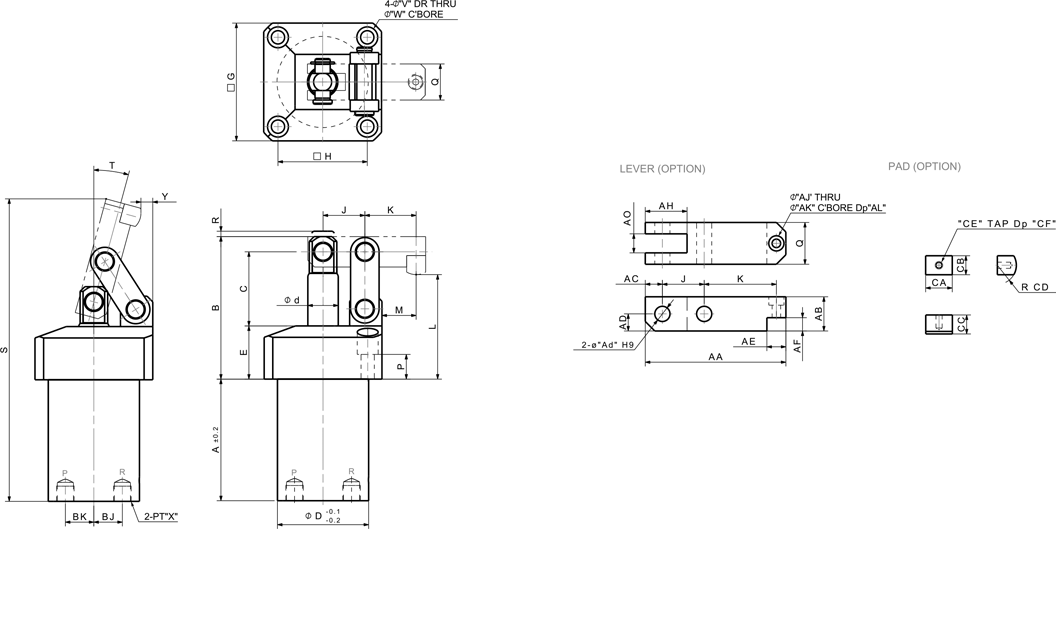
- TS Type
MODEL NO 주문 Download Dimensions(mm)
2D 3D PDF A B C øD ød E F G H J K L M P Q R S T V W X Y AA AB AC AD Ad AE AF AH AJ AK AL AO BJ BK CA CB CC CD CE CF
HGC-2502TS 64 75 39 48 16 28 8 62 47 22 33 55 24 14 19 2 155 15.2° 7 11 1/8 4.6 68 16 8 8 8 10 6 20 4.5 8 4.4 9 16 12 14 10 10 10 M4 6
HGC-3203TS 64 80 42.5 55 18 27.5 8 72 55 22 38 58 24 13.5 22 2 163 13.0° 9 14 1/8 10.5 74 18 9 9 8 10 7 22 4.5 8 4.4 10 21 19 14 10 10 10 M4 6
HGC-4005TS 79 90 47.5 65 25 29.0 11 80 63 26 42 63 28 15 25 2 180.4 14.3° 9 14 1/4 9.4 85 22 11 11 10 12 9 26 6 9.5 6 12 23 20 16 12 12 10 M5 6
TOP