KJF

ENG


Booster (Air-Hydraulic Power)

YOU CAN COUNT ON OUR EXPERTISE

Features
  • 저공기압에서 고유압 변환
  • 균등하고 확실한 압력
  • 소형 경량
  • 저렴한 가격
직압식
1. Booster 가 실린더 보다 높게 설치된 경우
2. 토출량-20cc ≥ 필요유량
예압식
1. 솔밸브 적용 방식/토출량-20cc < 필요유량
2. 타임딜레이밸브 적용 방식/토출량-20cc < 필요유량
스파크로 인한 폭발 우려가 있는 경우에 적용 가능. 컨트롤 박스가 필요 없으므로 비용이 절감 됨.
직압식
1. Booster 가 실린더 보다 낮게 설치된 경우
2. 토출량-20cc ≥ 필요유량
Specifications
MODEL NO. Boost Ratio High Pressure Volume  Operating Air Pressure Output Pressure Weight
HBH-1108 11:1 80cc 3.2~9.9kgf/㎠ 35~109kgf/㎠ 23.0kg
HBH-1120 11:1 200cc 35~109kgf/㎠ 25.5kg
HBH-2212 22:1 120cc 70~217kgf/㎠ 25.5kg
HBH-3608 36:1 80cc 115~356kgf/㎠ 25.5kg
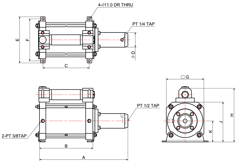
Dimensions
MODEL NO DIMENSIONS (mm) Download 주문
A B C ØD E F G H J K 2D 3D PDF
HBH-1108 272 177 143 70 220 200 179 255.5 190 100
HBH-1120 421 254 220 70
HBH-2212 473 280 246 55
HBH-3608
TOP