KJF

ENG

Bottom Type Flange Clamp

YOU CAN COUNT ON OUR EXPERTISE

Features
  • 하부 플랜지 배관
  • 직선 작동 피스톤로드
  • 복동
  • 플로우 컨트롤 밸브 장착형
  • 내경범위 : ø25~55
  • 작동범위 : 15~250kgf/㎠
  • 사용온도 : 0~60℃
  • 유량조절밸브 필요 시, 설치위치에 대해 확인 요청 바람
Model No.
  • 1
    Clamp Type
    SDP = Flange Clamp
  • 2
    Piston Diameter
    ex ) 25 = Ø25
  • 3
    Pistion Rod Stroke
    ex ) 30 = 30mm
  • 4
    Type
    F = Bottom Flange
    FP = Bottom, Pin Hole Rod
    FG = Bottom, Gasket
    FGP = Bottom, Gasket + Pin Hole Rod
    FGV = Bottom, Gasket + Flow Control Valve
    FGPV = Bottom, Gasket + Pin Hole Rod + Flow Control Valve
    FGT = Bottom , Gasket Top
    FGVT = Bottom, Gasket Top + Flow Control Valve
    FGPVT = Bottom, Gasket Top + Pin Hole Rod + Flow Control Valve
FLANGE CLAMP BOTTOM GASKET TYPE
  • SDP-2530F
  • SDP-3037F
  • SDP-4055F
  • SDP-5577F
Specifications
MODEL NO. Clamping Force (Ton) Effective Area(㎠) Oil Capacity (㎤) Piston Weight
Push Pull Push Pull Push Pull Diameter (ø) (kg)
SDP-2530F 1.23 0.59 4.91 2.36 14.72 7.09 25 1.23
SDP-2530FG 1.24
SDP-2530FGV 1.25
SDP-2530FGT 1.24
SDP-2530FGVT 1.25
SDP-2530FP 1.22
SDP-2530FGP 1.23
SDP-2530FGPV 1.24
SDP-2530FGPT 1.23
SDP-2530FGPVT 1.24
SDP-3037F 1.77 0.78 7.07 3.13 26.14 11.57 30 2.22
SDP-3037FG 2.25
SDP-3037FGV 2.26
SDP-3037FGT 2.24
SDP-3037FGVT 2.25
SDP-3037FP 2.20
SDP-3037FGP 2.23
SDP-3037FGPV 2.24
SDP-3037FGPT 2.23
SDP-3037FGPVT 2.24
SDP-4055F 3.14 1.60 12.56 6.41 69.08 35.23 45 3.96
SDP-4055FG 3.99
SDP-4055FGV 4.01
SDP-4055FGT 3.98
SDP-4055FGVT 3.99
SDP-4055FP 3.94
SDP-4055FGP 3.98
SDP-4055FGPV 3.99
SDP-4055FGPT 3.98
SDP-4055FGPVT 3.99
SDP-5577F 5.94 3.53 23.75 14.13 182.84 108.80 55 8.24
SDP-5577FG 8.29
SDP-5577FGV 8.31
SDP-5577FGT 8.29
SDP-5577FGVT 8.31
SDP-5577FP 8.23
SDP-5577FGP 8.28
SDP-5577FGPV 8.30
SDP-5577FGPT 8.28
SDP-5577FGPVT 8.30
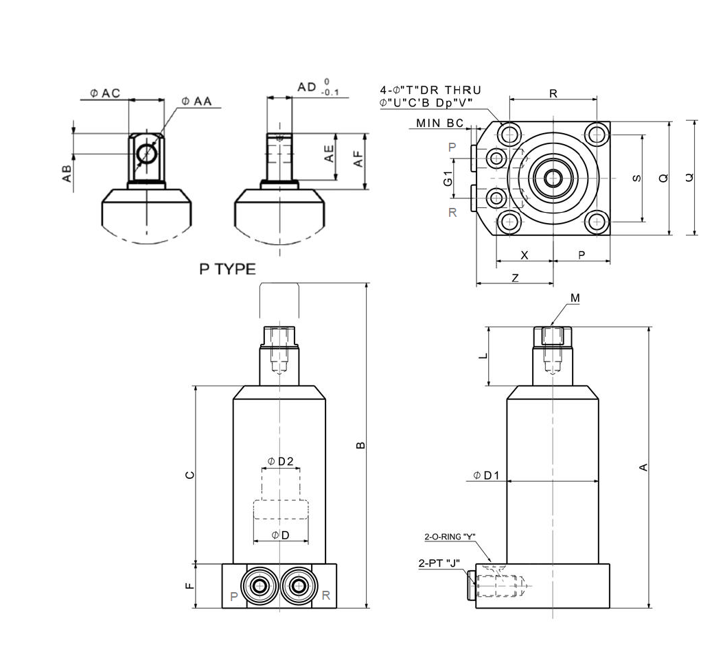
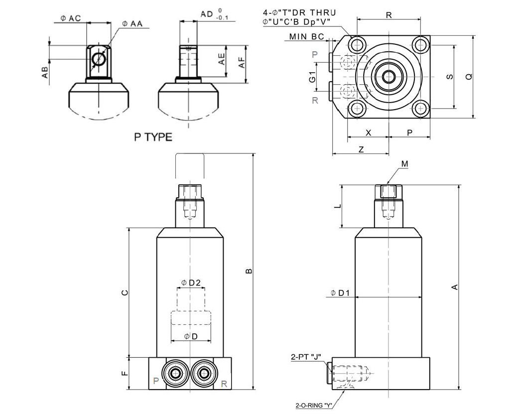
- F Type
MODEL NO 주문 Download DIMENSINONS(mm)
2D 3D PDF A B C øD øD1 øD2 F G J L M P Q R S T U V Z øAA AB øAC AD AE AF
SDP-2530F□ 128.5 158.5 81.5 25 42 18 20 18 PT 1/8 27 M8 x 1.25P 26 52 40 40 7 11 7 35 8 10 17 12 22.5 27
SDP-3037F□ 153 190 98 30 52 22.4 25 22 PT 1/4 30 M10 x 1.5P 30 60 46 46 7 11 15 40 10 12 21 14 26 30
SDP-4055F□ 172 227 112 40 65 28 28 24 PT 1/4 32 M12 x 1.75P 40 80 64 64 9 14 9 50 12 13 26.5 18 30 34
SDP-5577F□ 227 304 160 55 85 35 30 30 PT 3/8 37 M16 x 2.0P 48.5 97 76 76 11 17 11 59 16 17 33 22 37 41
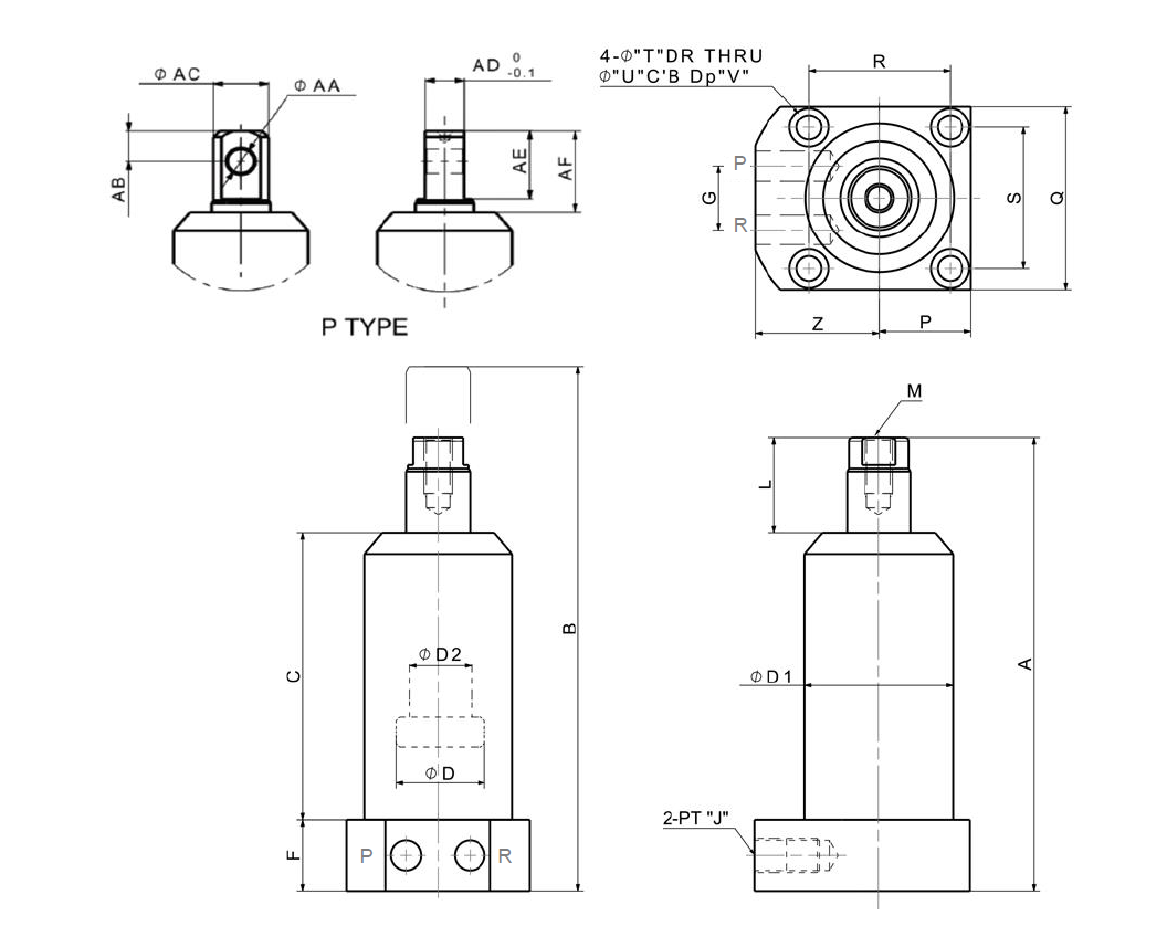
- FG Type
MODEL NO 주문 Download DIMENSINONS(mm)
2D 3D PDF A B C øD øD1 øD2 F G1 J L M P Q R S T U V X Y Z BC øAA AB øAC AD AE AF
SDP-2530FG□ 128.5 158.5 81.5 25 42 18 20 18 PT 1/8 27 M8 x 1.25P 26 52 40 40 7 11 7 26 P6 35 1.8 8 10 17 12 22.5 27
SDP-3037FG□ 153 190 98 30 52 22.4 25 20 PT 1/4 30 M10 x 1.5P 30 60 46 46 7 11 15 31 P6 40 3.5 10 12 21 14 26 30
SDP-4055FG□ 172 227 112 40 65 28 28 24 PT 1/4 32 M12 x 1.75P 40 80 64 64 9 14 9 38 P6 50 3.5 12 13 26.5 18 30 34
SDP-5577FG□ 227 304 160 55 85 35 30 30 PT 3/8 37 M16 x 2.0P 48.5 97 76 76 11 17 11 47 P7 59 5 16 17 33 22 37 41
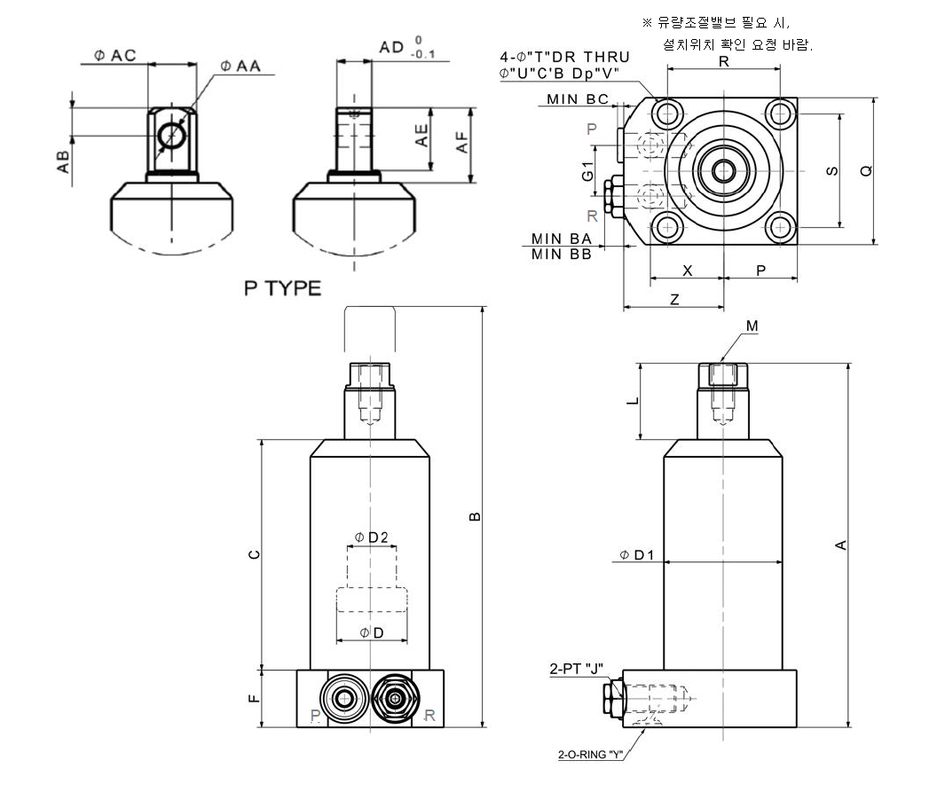
- FGV Type
MODEL NO 주문 Download DIMENSINONS(mm)
2D 3D PDF A B C øD øD1 øD2 F G1 J L M P Q R S T U V X Y Z BA BB BC øAA AB øAC AD AE AF
SDP-2530FG□V 128.5 158.5 81.5 25 42 18 20 18 PT 1/8 27 M8 x 1.25P 26 52 40 40 7 11 7 26 P6 35 7.1 13.7 1.8 8 10 17 12 22.5 27
SDP-3037FG□V 153 190 98 30 52 22.4 25 20 PT 1/4 30 M10 x 1.5P 30 60 46 46 7 11 15 31 P6 40 7.2 16.8 3.5 10 12 21 14 26 30
SDP-4055FG□V 172 227 112 40 65 28 28 24 PT 1/4 32 M12 x 1.75P 40 80 64 64 9 14 9 38 P6 50 7.2 16.8 3.5 12 13 26.5 18 30 34
SDP-5577FG□V 227 304 160 55 85 35 30 30 PT 3/8 37 M16 x 2.0P 48.5 97 76 76 11 17 11 47 P7 59 5.7 15.3 5 16 17 33 22 37 41
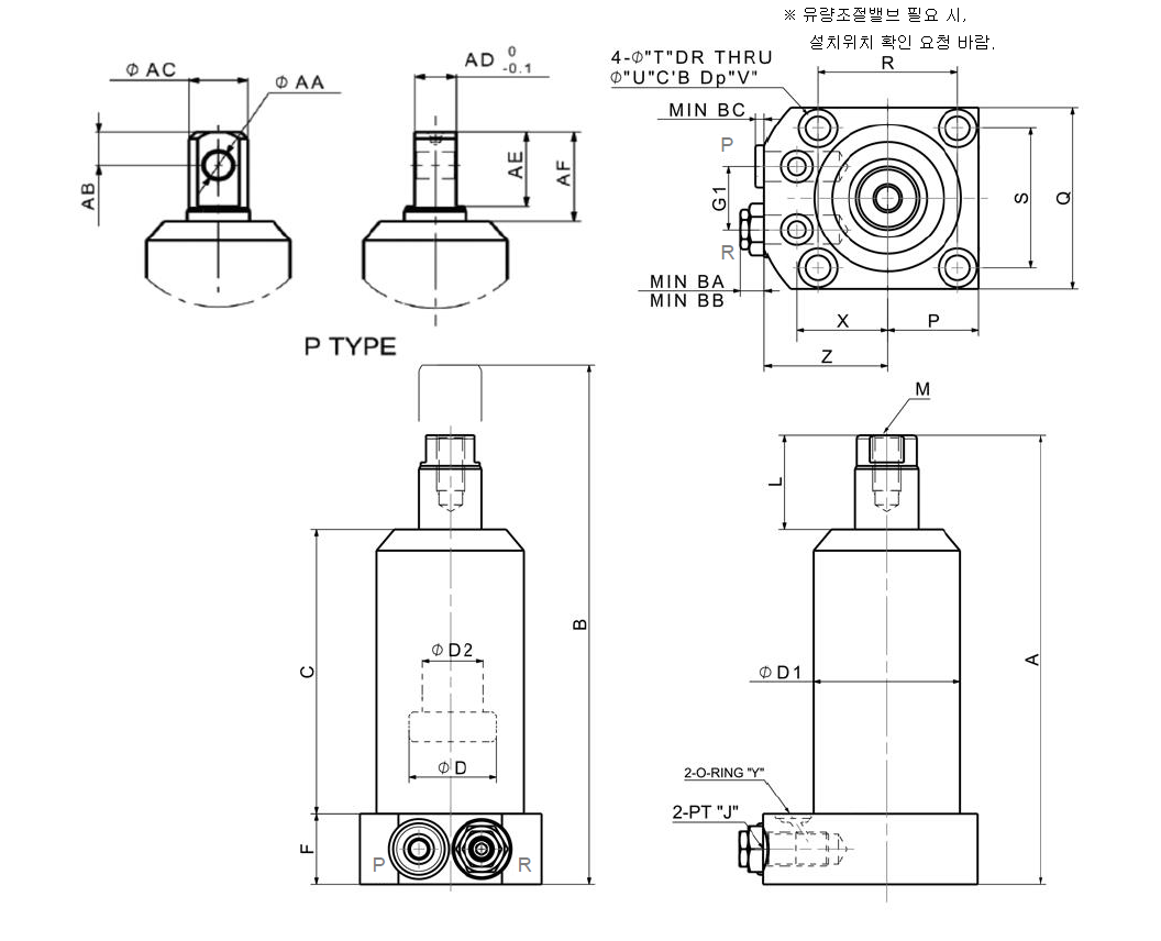
- FGT Type
MODEL NO 주문 Download DIMENSINONS(mm)
2D 3D PDF A B C øD øD1 øD2 F G1 J L M P Q R S T U V X Y Z BC øAA AB øAC AD AE AF
SDP-2530FG□T 128.5 158.5 81.5 25 42 18 20 18 PT 1/8 27 M8 x 1.25P 26 52 40 40 7 11 7 26 P6 35 1.8 8 10 17 12 22.5 27
SDP-3037FG□T 153 190 98 30 52 22.4 25 20 PT 1/4 30 M10 x 1.5P 30 60 46 46 7 11 15 31 P6 40 3.5 10 12 21 14 26 30
SDP-4055FG□T 172 227 112 40 65 28 28 24 PT 1/4 32 M12 x 1.75P 40 80 64 64 9 14 9 38 P6 50 3.5 12 13 26.5 18 30 34
SDP-5577FG□T 227 304 160 55 85 35 30 30 PT 3/8 37 M16 x 2.0P 48.5 97 76 76 11 17 11 47 P7 59 5 16 17 33 22 37 41
- FGVT Type
MODEL NO 주문 Download DIMENSINONS(mm)
2D 3D PDF A B C øD øD1 øD2 F G1 J L M P Q R S T U V X Y Z BA BB BC øAA AB øAC AD AE AF
SDP-2530FG□VT 128.5 158.5 81.5 25 42 18 20 18 PT 1/8 27 M8 x 1.25P 26 52 40 40 7 11 7 26 P6 35 7.1 13.7 1.8 8 10 17 12 22.5 27
SDP-3037FG□VT 153 190 98 30 52 22.4 25 20 PT 1/4 30 M10 x 1.5P 30 60 46 46 7 11 15 31 P6 40 7.2 16.8 3.5 10 12 21 14 26 30
SDP-4055FG□VT 172 227 112 40 65 28 28 24 PT 1/4 32 M12 x 1.75P 40 80 64 64 9 14 9 38 P6 50 7.2 16.8 3.5 12 13 26.5 18 30 34
SDP-5577FG□VT 227 304 160 55 85 35 30 30 PT 3/8 37 M16 x 2.0P 48.5 97 76 76 11 17 11 47 P7 59 5.7 15.3 5 16 17 33 22 37 41
TOP